The serial port chips currently supported by ZowieBox are FT232 and PL2303.
Please use different connection methods for different serial lines:
1. USB to RS232
The pin definition of RS232 is as follows:

To ensure that RXD at one end is connected to TXD at the other end, please first check the RS232 interface of the required control device.
If the RS232 interface of the required control device is female, please select direct connection. The connection method is as shown in the figure below:

If the device to be connected is a male connector, a cross connection is required. The connection method is as shown in the figure below:

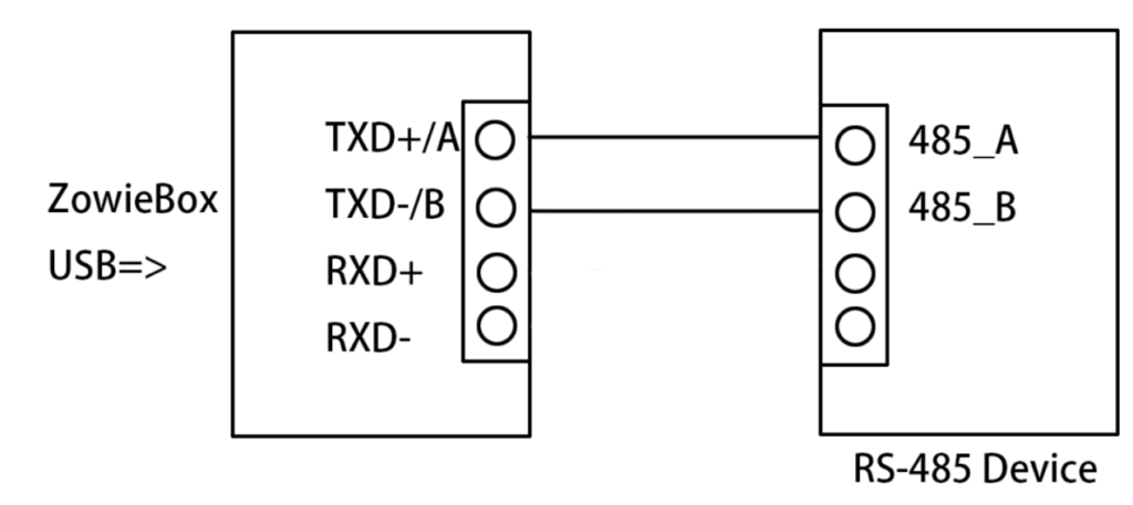
2. USB to RS485
For the RS485 interface, please select the direct connection method for connection. The connection method is as shown in the figure below:

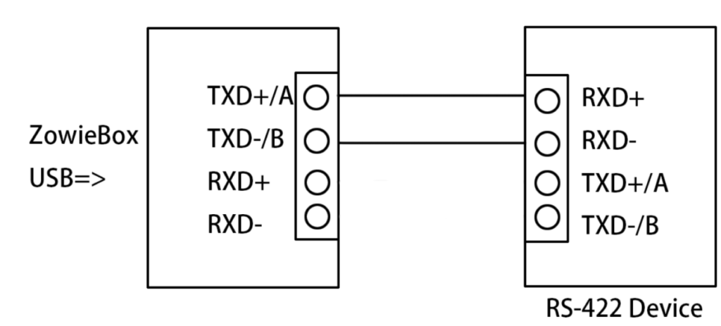
3. USB to RS422
For the RS422 interface, please select the direct connection method for connection. The connection method is as shown in the figure below:

After the connection is successful, please log in to the ZowieBox web control interface and click Setting->Camera ->PTZ,
When ZowieBox detects a supported serial port chip, it can select the control protocol used.

Query the address and baud rate of the device need to control, enter it into the ZowieBox and click Save.

After successfully saving, click the preview option, and you can use the control buttons on the live interface to perform operations such as focusing, zooming, and direction control on other devices.

